旋切機是生產膠合板的主要設備之一,分為有卡旋切機切機和無卡旋切機,隨著科技的進步數字伺服控制技術也運用到旋切機機生產中,近幾年出現了數控旋切機。數控旋切機的出現不僅提高了生產單板的質量和精度,而且還大大提高了生產效率和整機的自動化程度。數控無卡旋切機是膠合板生產線或單板生產線上的重要設備,主要用于將有卡軸旋切機旋切剩余的(或扒圓)木芯進行二次利用,將長度不等的木段,在一定直徑范圍內的木芯旋切成不同厚度的單板,旋切直徑小。
近年來變頻調速器逐步應用于各種木材加工機械設備上,安邦信電子有限公司針對各類加工機械設備的不同需求和使用特點,開發出安邦信系列旋切機專用變頻器,目前河北冀凱集團加工機械設備上已經配套使用。
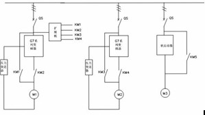
系統設計圖

變頻器控制的基本原理圖
控制接線簡介:
RUN----COM 變頻啟動/停止信號
VS----GND 頻率給定 0----10V電壓信號
M1----GND 輸出0---10V、4---20mA可調接頻率表
AM+----AM- 輸出0---10V、4---20mA可調接電流表
A----C 變頻器故障報警
IF----GND 壓力變送器反饋信號
旋切機設備工藝要求:
1)要求寬電壓范圍。該類設備大多用在偏遠的山村,電網供電大多不穩,低于300V能正常工作。
2)變頻器一般要求工作再0—85HZ之間。
3)低頻要求有高轉矩。
4)高頻時要求高轉矩,響應快。隨著旋切過程的加深,木頭直徑越來越小,要求線速越來越高。
冀凱集團加工機械設備旋切機上使用安邦信變頻器后,保證了軟硬件抑制強干擾和誤報故障。對運行期間電流自動限制,防止頻繁過流故障跳閘,確保了無跳閘運行。根據負載特性,自動調整載波頻率,減少電機電磁聲音,從全方位實現節能運行。